三年在线观看免费大全_日本大一大二大三在一起读吗电影_电视剧免费观看电视剧大全在线_免费观看nba直播网站

歡迎進入浙江億核閥門有限公司官網!
熱門資訊:
地址:浙江省溫州市永嘉縣甌北塘頭工業區
手機:18968921198
銷售部:0577-67381813
傳真:0577-67381819
郵箱:sale@yh1818.com
網站:www.tjxsdianl.com

Hot Products
產品中心

當前位置:首頁 > 產品中心 > PZ273TC電液聯動薄型陶瓷閘閥

PZ273TC電液聯動薄型陶瓷閘閥

所屬類別:
產品適用:
產品型號:
訂購熱線:18968921198


竭誠歡迎新老顧客與我們攜手合作,共創輝煌!


 

特點說明

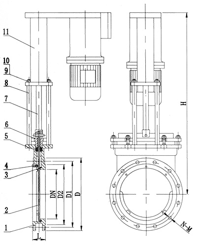
本閥適用于高硬度的顆粒例如(灰渣水)等介質,或有軟顆粒但又有腐蝕性的介質的管道上作啟閉之用。公稱壓力1.0MPa,適應溫≤150℃。

密封面采用硬密封與介質接觸的部分均為結構陶瓷材料,其化學穩定性及硬度極高。因此,本閥具有極高的耐磨損、耐腐蝕、耐沖蝕性能,且隔熱性好、熱膨脹小。

本閥料口全流通無阻擋物,耐磨性能強,密封性能好,啟動負荷小卡灰及結灰現象少。

本閥采用高檔曾韌結構陶瓷密封,機械強度高耐磨性能好使用壽命長。結構緊湊可任意角度安裝。

 


返回
地址:浙江省溫州市永嘉縣甌北塘頭工業區   電話:0577-67381812   67381813   67381818   67381819
手機:18968921198   郵箱:sale@yh1818.com   網站:www.tjxsdianl.com
Copyright © 2017浙江億核閥門有限公司   備案/許可證編號為:浙ICP備17003980號-1   技術支持:中國泵閥網
掃一掃關注我們二維碼
展開