三年在线观看免费大全_日本大一大二大三在一起读吗电影_电视剧免费观看电视剧大全在线_免费观看nba直播网站

歡迎進入浙江億核閥門有限公司官網!
熱門資訊:
地址:浙江省溫州市永嘉縣甌北塘頭工業區
手機:18968921198
銷售部:0577-67381813
傳真:0577-67381819
郵箱:sale@yh1818.com
網站:www.tjxsdianl.com

Hot Products
產品中心

當前位置:首頁 > 產品中心 > YDF-B圓頂閥

YDF-B圓頂閥

所屬類別:
產品適用:
產品型號:
訂購熱線:18968921198


竭誠歡迎新老顧客與我們攜手合作,共創輝煌!



特點說明

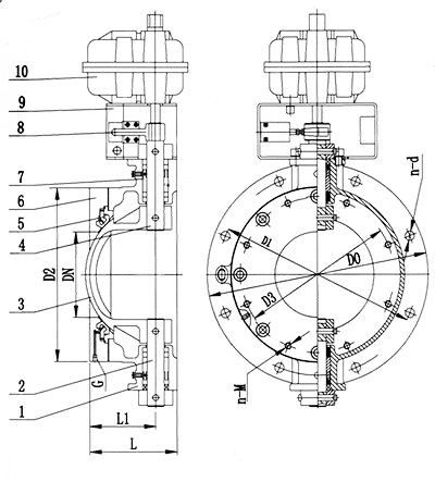
本閥適用于電廠干灰系統倉泵進出料閥,也可用于礦山、化工等各類有磨損的干灰、水渣等介質的管道上作啟閉之用,使用公稱壓力1.0MPa,適應溫度≤150℃,氣源0.6—0.8MPa。

本閥密封面采用硅橡膠密封,為確保零泄漏和密封面與球面間的零磨損。啟閉閥門采用專用的電磁氣動控制。

本閥是世界上最高效,能頻繁啟閉的物料輸送閥。料口全流通無阻擋,有吹堵裝置,卡灰和積灰現象少,使用壽命長維護量小,結構緊湊安裝方便。



返回
地址:浙江省溫州市永嘉縣甌北塘頭工業區   電話:0577-67381812   67381813   67381818   67381819
手機:18968921198   郵箱:sale@yh1818.com   網站:www.tjxsdianl.com
Copyright © 2017浙江億核閥門有限公司   備案/許可證編號為:浙ICP備17003980號-1   技術支持:中國泵閥網
掃一掃關注我們二維碼
展開